האם אולטרסאונד עובד על ג'וקים? זוהי שאלה דחופה עבור אלו שיש להם חרקים אלה בביתם. ישנם דגמים רבים של מכשירים המשתמשים בקרינה אולטרסאונדית. חשוב לדעת כיצד לבחור את המכשיר הנכון כדי להיפטר משכנים לא רצויים אלה.
תוֹכֶן
דוחה ג'וקים אולטרסאונד
המכשיר מייצר גלי אולטרסאונד בטווח תדרים אולטרסאונד (החל מ-20,000 הרץ), הפועלים על קצות העצבים של קולטני ג'וקים וחרקים אחרים. קוויטציה מתרחשת בתאי אורגניזמים חיים - תהליך שבו הפלזמה התוך-תאית רוטטת, מה שמוביל להיווצרות בועות נוזליות ולהרסן. כתוצאה מכך, התא מתבקע מבפנים. עם זאת, הדבר דורש חשיפה ישירה לחרק. בדרך כלל הג'וקים לא מתים, אלא נבהלים ועוזבים את הבית. לכן, אי אפשר להעריך את יעילות המכשיר על סמך מספר החרקים המתים. המדד ליעילות הוא היעלמותם או צמצום מספר החרקים הבוגרים.
דוחי חרקים אינם דבר חדש בעולם המודרני. אפילו הסינים הקדמונים השתמשו בדוחים מכניים מבוססי חיישנים כדי להגן על גידולים מפני מכרסמים.
מחקרים הוכיחו שאולטרסאונד יכול באמת להרוג רק סוג אחד של חרק: יתושים. ג'וקים אינם תופסים את הגלים הללו באמצעות חושיהם. השפעה על מערכת העצבים הגורמת לפאניקה אפשרית כאשר נוצרת קרינה בעוצמה גבוהה. התגובה הפיזיולוגית מתבטאת כך:
- אִי הִתמַצְאוּת;
- עוויתות;
- דימומים מוחיים המובילים למוות (נדיר).
במצב של לחץ מתמיד, חרקים אינם מסוגלים להשיג מספיק מזון, להתרבות או לבנות קנים. דבר זה מאלץ אותם לחפש בתי גידול חדשים.
אולטרסאונד לא עובד על ביצי ג'וקים.
סוגי דוחי אולטרסאונד וסקירה כללית של דגמים פופולריים
פרמטרים לפיהם מסווגים מכשירים מסוג זה:
- רדיוס פעולה (הוא מוגבל לאזור מסוים);
- עקרון הפעולה (ישנם מכשירים המייצרים גלי קולי, כמו גם כאלה הפועלים על בסיס שתי טכנולוגיות - תהודה מגנטית ואולטרסאונד);
- חפץ (ג'וקים ישירות, מספר סוגי חרקים ודגמים אוניברסליים שדוחים גם מכרסמים).
מכשירים המייצרים גלי קולי לדחיית חרקים מיוצרים על ידי חברות מקומיות וזרות כאחד. מוצרים רוסיים בדרך כלל זולים יותר. יעילותם ועקרונות הפעולה שלהם זהים פחות או יותר, אך לכל אחד מהם מאפיינים ייחודיים משלו.
טייפון LS-500
מכשיר זה, מתוצרת רוסיה, נועד להילחם בתיקנים. מחירו כ-1,100 רובל. המיקרו-בקר של הדוחה מתאים מעת לעת את משך ותדירות הקרינה האולטרסאונדית, ומונע מחרקים להתרגל אליה. הוא מופעל על ידי מתח חשמל (180 עד 240 וולט). המכשיר אמור לפעול במשך 2-4 שבועות.
טבלה: מאפיינים טכניים של דוחה אולטרסאונד Typhoon LS-500
| עקרון הפעולה | אולטרסאונד |
| תְזוּנָה | נייח (מהרשת) |
| אזור מוגן פעיל | 80 מ"ר |
| כּוֹחַ | 4 וואט |
| גורם צורה | יַצִיב |
EcoSniper AR-130 ו-UP-118
מותג טייוואני זה מציע מספר דגמים. הפופולריים ביותר הם:
- ה-AR-130 הוא מכשיר רב-תכליתי המשתמש בשתי טכנולוגיות: תהודה מגנטית ואולטרסאונד. הוא מספק רמות לחץ קול בטווח של 90-100 dB.
- UP-118. לדגם זה טווח ארוך יותר של עד 100 מטר.2למכשיר יש מחבר שניתן להשתמש בו כדי להתקין אותו על הקיר.
טבלה: פרמטרים של ה-EcoSniper AR-130
| מידות | 100 מ"מ / 82 מ"מ |
| מִשׁקָל | 150 גרם |
| צריכת אנרגיה | 6.0 וואט |
| מתח אספקה | 220–240 וולט, 50 הרץ |
| לחץ קול | 100 דציבלים |
| אזור מוגן | 80 מ"ר |
| טווח תדרים של פעולה | 25.5 ± 2.5 קילוהרץ |
טורנדו OT.01
פיתוח נוסף של חברות מקומיות, שנועד להילחם בג'וקים. המכשיר קומפקטי ובעל כבל חשמל ארוך. הוא מותקן בגובה 1-1.5 מטרים מעל הרצפה בזווית קלה. מכשיר מיוחד, סוגר מסתובב, ממוקם בפאנל האחורי למטרה זו. אין צורך בהגדרה מראש כדי להתחיל.
טבלה: מאפיינים טכניים של הטורנדו OT.01
| מתח אספקת חשמל 50 הרץ | 220 ± 15% B |
| צריכת חשמל מקסימלית מרשת AC, לא יותר מ | 10 וואט |
| טווח התדרים הנפלטים | 20 ± 7 קילוהרץ |
| כוונון תדרים של אולטרסאונד | 1–3 הרץ |
| רמת לחץ אולטרסאונד במרחק של 1 מטר, לא יותר מ | 80 ± 3 דציבלים |
| שטח אפקטיבי ברמת לחץ אולטרסאונד של 70 dB, לא פחות מ | 50 מ"ר |
| טווח טמפרטורות הפעלה | מ-30- עד 80+ מעלות צלזיוס |
| משקל, לא יותר מ | 120 גרם |
| מידות | 30 x 75 x 105 מ"מ |
Weitech VK-240
מכשיר קומפקטי זה מנקה אזור ממזיקים לאחר 10 ימים של פעולה רציפה. הוא ממוקם במרכז החדר, בגובה של כחצי מטר.
טבלה: מפרט Weitech VK-240
| אזור ההגנה של המכשיר | עד 60 מ"ר |
| תדירות אולטרסאונד | 20–45 קילוהרץ |
| לחץ קול שיא ב-50 ס"מ | 116 דציבלים |
| תְזוּנָה | 4 סוללות מסוג "C" |
| חיי סוללה | 90 ימים |
| מִשׁקָל | 162 גרם (244 גרם לחבילה) |
| מידות | 95x130x60 מ"מ |
| טמפרטורת הפעלה | מ-10- עד 40+ מעלות צלזיוס (בלחות של עד 98%) |
דחיית מזיקים
דוחה מזיקים זה הוא אוניברסלי, שכן הוא נועד להגן על מקום מפני מכרסמים ומסוגים שונים של חרקים. הוא יעיל כאמצעי מניעה, בטוח לבני אדם וחיות מחמד, ופועל בשקט. עם זאת, ייתכן שיש לו השפעה שלילית על מכרסמים (אוגרים, צ'ינצ'ילות) ועכבישנים. לדברי היצרן, הדברה מתבצעת תוך שבועיים.
טבלה: השוואה בין דוחי ג'וקים פופולריים נגד קולי
| שם, יצרן | אזור כיסוי, מטר2 | היקף היישום | מוזרויות |
| טייפון LS-500, חברת מדע וייצור "אלכס", רוסיה | 80 |
|
|
| אקוסנייפר AR-130, טייוואן | 80 |
| עקרון הפעולה מבוסס על שימוש בשתי טכנולוגיות: תהודה מגנטית ואולטרסאונד. |
| טורנדו OT.01, חברת מחקר וייצור "מרכז לטכנולוגיות חדשות", רוסיה | מ-50 |
| ייקח מספר שבועות להיפטר מהג'וקים. |
| אקוסניפר UP-118, טייוואן | 100 |
| |
| Weitech BK-240, בלגיה | 60 | מופעל על ידי סוללות מסוג C. | |
| דחיית מזיקים, ארה"ב | עד 200 |
| כדי לנקות את המקום מחרקים, המכשיר יזדקק לפחות לחודש של פעולה רציפה. |
טיפים לבחירת מכשיר
בעת רכישת דוחה ג'וקים אולטרסאונד, יש לקחת בחשבון את טווח הפעולה שלו. הוא מוגבל, לכן ייתכן שתצטרכו מספר יחידות. גלי אולטרסאונד אינם מסוגלים להתכופף סביב מכשולים ואינם חודרים קירות, רהיטים או אפילו שטיחים. לכן, שימוש במכשיר בעל טווח קליטה גדול בדירה המורכבת מכמה חדרים אינו מעשי.
כמו כן, קחו בחשבון את ספק הכוח. דגמים ניידים המופעלים על ידי סוללות נוחים יותר לשימוש בגינה. ביקורות מאלה שכבר ניסו את המכשיר גם יעזרו לכם בבחירה.
בטיחות ויעילות של דוחי חרקים אולטרסאונדים
יעילותם של מכשירי אולטרסאונד בהדברת ג'וקים נתונה לוויכוח. יצרנים טוענים שהם יעילים, אך ביקורות רבות מצביעות על כך אחרת. לא נערכו מחקרים בקנה מידה גדול בנושאים אלה, ולכן אי אפשר לומר בוודאות שאולטרסאונד מסייע להיפטר מג'וקים. דבר אחד בטוח: מכשירים אלה אינם מסכנים את בריאות האדם. עם זאת, הרעש או החריקה שמפיקים דגמים מסוימים במהלך הפעולה יכולים לפעמים להיות לא נעימים.
איך להכין דוחה ג'וקים בעצמך
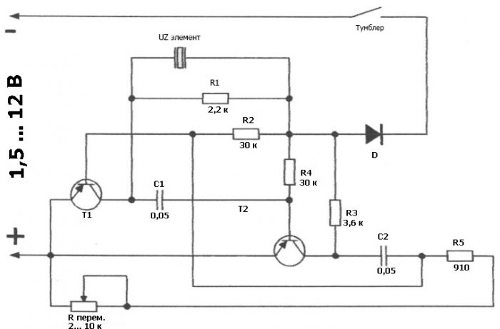
אתם יכולים להכין דוחה חרקים אולטרסאונד בעצמכם אם יש לכם קצת כישורי מעגלים חשמליים. כדי ליצור מכשיר פשוט, תצטרכו:
- נגדים (5 קבועים ואחד משתנה);
- אלמנט לשחזור אולטרסאונד (פולט פיזואלקטרי);
- דיודה;
- מתג הפעלה;
- טרנזיסטורים (2 יחידות);
- קבלים (2 יחידות).
ניתן להרכיב בקלות מכשיר פשוט מרכיבים אלה לפי התרשים הבא.
מחולל תדר גבוה חזק יותר מיוצר באמצעות המעגל המשולב CD4047. הוא מכיל אלמנטים של טריגר ורטט רב-תדרים. מקור צליל, כגון מתמר פיזואלקטרי המשמש באזעקות, מחובר לאותות הפלט האנטי-פאזיים. אלמנט R1 (נגד) משנה את תדר האולטרסאונד.
ביקורות משתמשים
המכשיר אצלי בערך שנה, ובמהלך תקופה זו לא ראיתי אפילו ג'וק אחד. עם זאת, ראיתי מדי פעם חיפושיות ועכבישים. אז אפשר לומר בבטחה שהמכשיר בדרך כלל לא יעיל נגד חרקים. עברו בערך ארבע שנים מאז שכיביתי את דוחה הג'וקים האולטרסאונד Typhoon. במהלך תקופה זו ראיתי ג'וקים במטבח רק פעם או פעמיים. בהתבסס על הניסיון שלי ועל הביקורות שקראתי באינטרנט, אני יכול לומר שה-Typhoon LS500 אינו יעיל במיוחד. אם יש לכם אורחים לא קרואים בעלי שפם, שקלו לקנות Raid ולהציב עבורם מלכודות מיוחדות. זה בהחלט יהיה יעיל יותר. נכון לעכשיו, דוחה הג'וקים האולטרסאונד Typhoon LS500 עולה בין 1,100 ל-1,600 רובל בחנויות מקוונות.
לא נפטרתי מהג'וקים בעזרת חומרי הדברה נגד ג'וקים. גירשתי אותם. כלומר, הג'וקים לא מתו; הם עזבו את הדירה. אולי אפילו הלכו לשכנים. ומה שעזר לי להיפטר מהחרקים הלא כל כך נעימים למראה האלה היה דוחה החרקים הנייח האוניברסלי Bezar-Imper AR-130 EcoSniper.
ניסינו הכל כדי להיפטר מג'וקים. ניסינו הכל: ג'לים, תרסיסים, אבקות, חומצה בורית, עפרונות, סרט דביק, בתים. כל אלה עבדו רק לזמן קצר. ואז הג'וקים חזרו שוב. לא משנה כמה מסודרים אתם שומרים על הדירה שלכם, ג'וקים תמיד ימצאו מה לאכול. הם אפילו אוכלים נייר, סבון ונעלי עור. הם חיים עד 5 שנים ולא מפחדים מקרינה. הייתי בסופר במקרה ועיני נפלה על קופסה קטנה עם הכיתוב "AR-130 EcoSniper Universal Stationary Repeller for Rodents, Spiders, Cockroaches, Ants, and Other Interior Pests". קניתי אותה. היו לי ספקות. עקבתי אחר ההוראות. אין ג'וקים. הם לא חזרו כבר 8 חודשים. דוחה הג'וקים מושג באמצעות אולטרסאונד, שמשפיע על מערכת העצבים של הג'וק. ולג'וקים אין ברירה אלא לעזוב את הבית שלי.
דוחה ג'וקים קולי EcoSniper UP-118 לא עובד נגד ג'וקים. יתרונות: אין יתרונות כלל. חסרונות: אדם עם שמיעה טובה שומע חריקה שגורמת לו לאחר מכן לכאב ראש. השתמשנו במכשיר בדירת חדר במשך חודש. הצבנו אותו במקומות שונים. הוא היה חסר תועלת. הג'וקים ממשיכים ללכת ולהתרבות.
דוחה חרקים אולטרסאונד יעיל. אנחנו גרים בבית פרטי בכפר, שם יש שפע של חרקים, כולל נמלים, זבובים, יתושים, ג'וקים וחרקים קטנים אחרים. כשהתינוק שלנו נולד, מיד קנינו דוחה אולטרסאונד ואנחנו משתמשים בו כבר למעלה משנה. זה עובד כל כך טוב ששכחנו מה זה אומר שיש חרקים בבית. אנחנו ישנים שנת ישרים בלילה, שוכחים יתושים או זבובים, ושום דבר לא מפריע לנו לישון. זה גם מאוד נוח: הדוחה זוהר כמו פנס בלילה, מה שהופך הכל לגלוי ויפה. התינוק שלנו גדל עכשיו, ואנחנו לא צריכים להדליק את האורות בלילה. בזכות הדוחה, החדר מואר באור עמום, אך עדיין נראה לעין, והתינוק שלנו הולך לשירותים בבטחה.
דוחה האולטרסאונד Pest Reject הוא הונאה. הוא לא עובד על ג'וקים... קניתי אותו באתר Shopleader כי הייתה להם תמונה של המכשיר מפורק ו-Readex. הם אמרו שה-Readex מזויף וזה הדבר האמיתי. ובכן, זה לא תואם את החלקים הפנימיים שהם רשמו באתר. וכמובן, זה לא עובד! רציתי להשאיר ביקורת שלילית באתר שלהם, אבל הם לא הרשו לי.
וידאו: אלנה מלישבע על השימוש בדוחי ג'וקים קוליים
למרות היעילות המוגבלת של דוחי חרקים באמצעות קולי בהדברת ג'וקים, אין לזנוח אותם. הם בטוחים לבני אדם ונוחים. השתמשו במכשירים אלה בשילוב עם שיטות אחרות להרחקת חרקים כדי להאיץ את התהליך.











